关于我们
公司简介
企业文化
资质荣誉
合作伙伴
新闻资讯
产品中心
客户案例
联系我们
导航
Products
产品中心
全力打造清洁、安全、高效、节能的高品质产品
首页
产品中心
阀门系列
上一个:XXXX
返回列表
下一个:XXX
阀门系列
翻板式气动进料阀
产品介绍
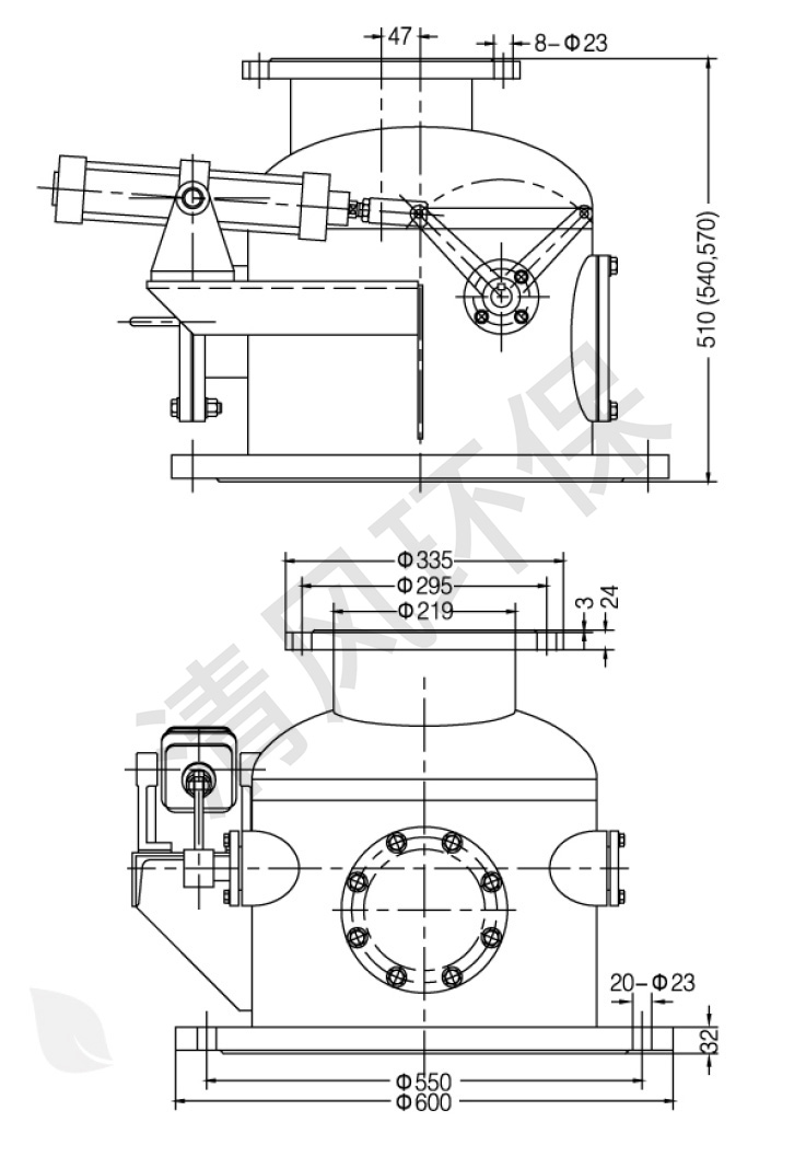
翻板式气动进料阀采用瑞典FLAKT公司技术所开发研制,该阀门直接与仓泵连接并融合为一个整体,由外部气缸带动轴作90度旋转以控制开闭。密封圈采用氟橡胶材质,其硬度高,同时采用特殊的密封结构以满足飞灰工况的恶劣环境要求。
产品详情
>>主要技术参数
>>矮翻板式外形图(mm)
>>高翻板式外形图(mm)