Products
产品中心
全力打造清洁、安全、高效、节能的高品质产品
仓式气力输送泵
仓式气力输送泵
L型仓式气力输送泵
产品介绍
本产品采用正压气力输送方式输送粉末状物料,适用于火电厂粉煤灰、水泥、水泥生料、矿粉等输送,可根据具体地形布置输送管道,实现集中、分散、大高度、长距离输送,输送过程不受气候条件影响,能确保物料不受潮,利于生产和环境保护。
本设备配置自动化操作台,可实现手动和自动控制,自动控制采用继电器或微机两种形式。通过长期运行,实践证明,其性能稳定,质量可靠,无粉尘污染,是较理想的气力输送设备。
本产品规格齐全,特殊规格,本公司可代为设计、专门制造。
产品详情

>>主要技术参数

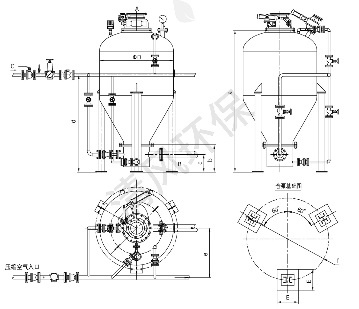
>>L型仓式气力输送泵外形图(mm)

>>设备外形尺寸及接口表(mm)