Products
产品中心
全力打造清洁、安全、高效、节能的高品质产品
仓式气力输送泵
仓式气力输送泵
LD型仓式气力输送泵
产品介绍

LD型浓相气力输送泵是我国引进瑞典菲达公司、澳大利亚AB公司等先进技术后自主研发的一种输送设备。

它广泛适用于火电厂粉煤灰、炉底渣、石灰石粉及水泥、水泥生料、矿粉、粮食等粒状物料的输送。

产品详情

LD型浓相气力输送泵与同类产品及机械输送相比较,具有以下优点:

1、灰气比(混合比)高,输灰管长度在200米内可达40:1 以上。

2、工作压力低(一般在0.1-0.3MPa),流速低。在提高输送效率的同时,有效地减少了管道的磨损,降低了压缩空气耗量。

3、自动化程度高,操作简单灵活,利用PLC控制或微机程控对整个输送过程实行全自动控制。

4、关键部件,如进料阀、泵体、控制元件等使用寿命长,且按通用规范设计、互换性、通用性强。料位计、压力变送器、电磁阀等主要元器件都采用进口件。

5、输送管路布置灵活,能方便地实行集中,分散、大高度、长距离输送。

6、由于在密封管道中输送物料,可严格保证物料品质,使其不受潮、无粉尘污染,不受各种气候影响,有利于生产和环境保护。


>>主要技术参数

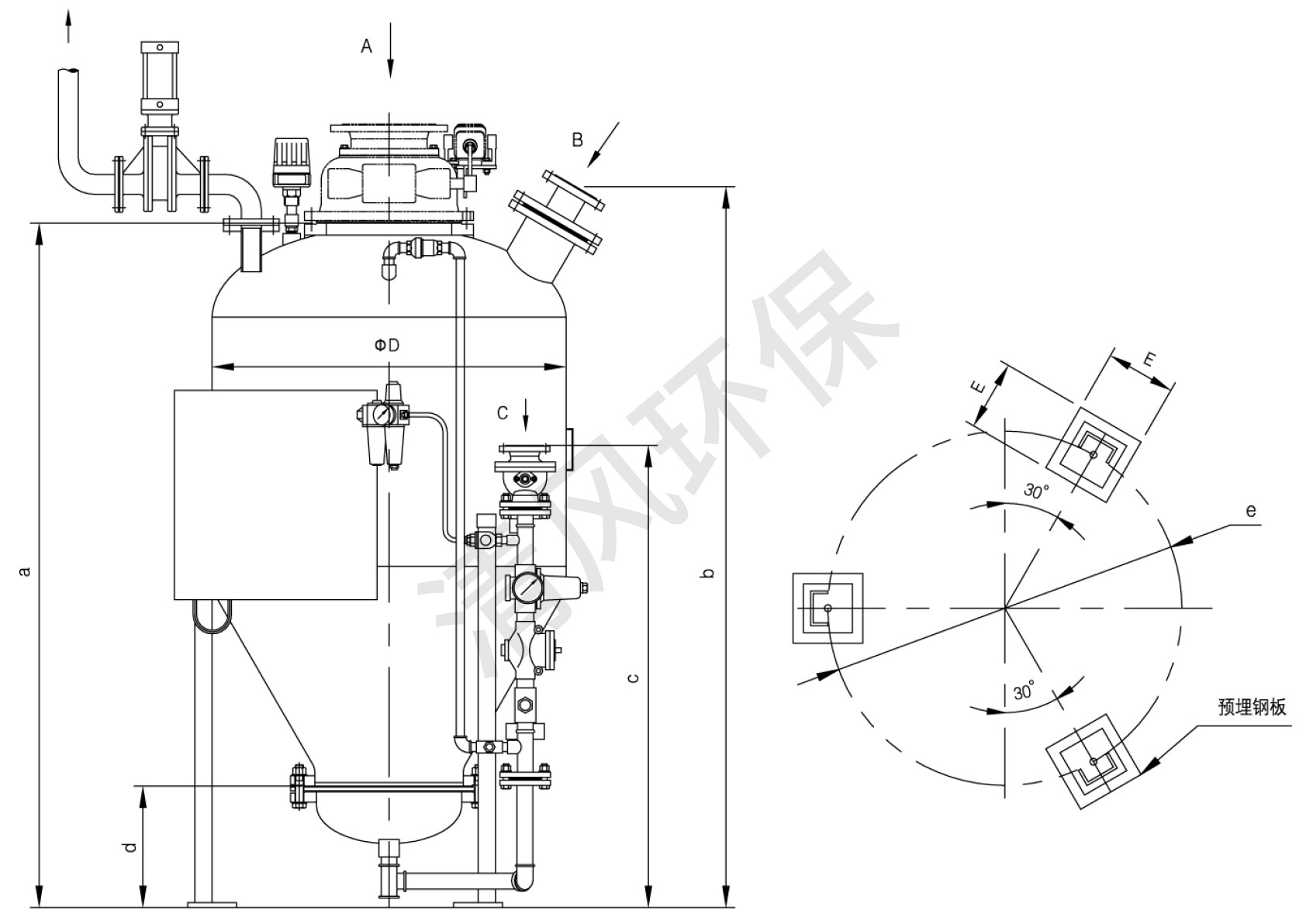
>>外形图(mm)

>>设备外形尺寸及接口表(mm)