关于我们
公司简介
企业文化
资质荣誉
合作伙伴
新闻资讯
产品中心
客户案例
联系我们
导航
Products
产品中心
全力打造清洁、安全、高效、节能的高品质产品
首页
产品中心
阀门系列
上一个:XXXX
返回列表
下一个:XXX
阀门系列
双闸板气动排气阀
产品介绍
气动排气阀设置于仓泵排气口,仓泵进料时,该阀门处于打开状态,仓泵进料完毕,该阀门关闭。该阀主要部件阀板受冲击面采用钨合金或耐磨陶瓷,磨损性能较其他同类型阀门更为出色,经实践证明,该阀的结构严密,启闭性好,具有耐压,耐磨,耐冲击的特点,大大提高了系统运行的可靠性,稳定性。
产品详情
>>主要技术参数
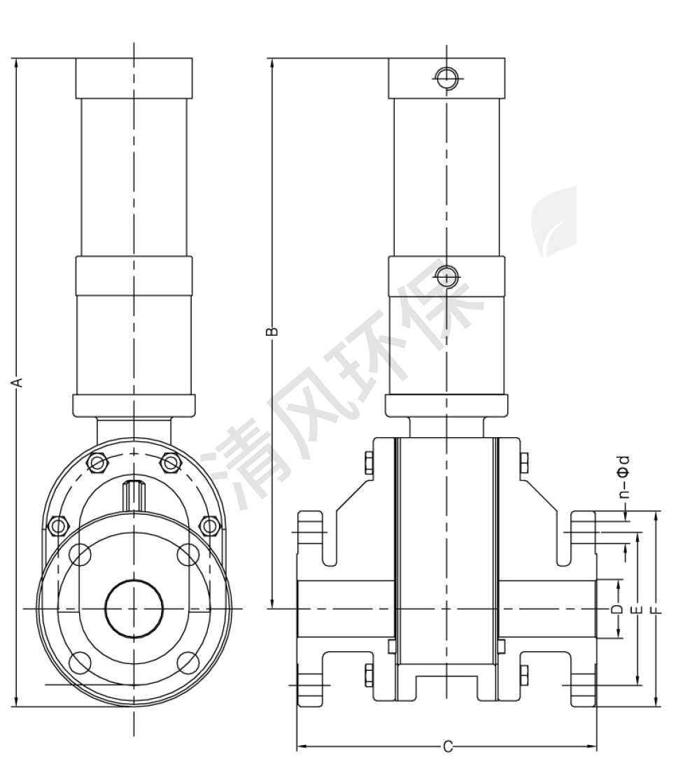
>>外形图(mm)
>>外形尺寸